晶振以其体积小、稳定性高等优势广泛应用于各种电子领域,晶体谐振器和振荡器是市面上比较常见的两种类别,先了解晶体谐振器和晶体振荡器有什么区别可以帮助我们更好的选购产品。
晶体振荡器拥有自己的驱动电路,一般情况下接上电源就可以用了,晶体谐振器则需要借助外部条件才可以。有了这个基本的认知之后,我们在购买产品的时候,就可以根据电路中是否有驱动电路来判断买哪一种,一般mcu类的芯片都带了驱动电路,用晶体谐振器就行。不过,有时候需要一些特殊的频率点,比如50M之类的。出于功能上的考虑,这种情况下只能买晶体振荡器,价格也要贵一些。
1、晶体谐振器
晶体谐振器需要需要借助于外部的时钟电路(接到主IC内部的震荡电路)才能产生振荡信号,我们可以把它理解为一个crystal(晶体)。晶体谐振器自身是无法震动的,他由电阻容元件组成,两个引脚分别连接电容两极,我们把仅由阻容元件组成的电路称之为“无源电路”。

2、晶体振荡器
晶体振荡器除了石英晶体外还有晶体管和阻容元件,使用的时候只需要电源就可输出比较好的波形,我们也可以直接叫它oscillator(振荡器)。在电子学上,通常将含有晶体管元件的电路称作“有源电路”(如有源音箱、有源滤波器等)因此体积较大。

除了结构和工作原理上的不同,我们还可以从使用方向的角度来区分。有源晶振在行业里比较高端,适用于大多数要求较高的产品身上,本身自带电压无需外接电源,无源系列的则几乎完全相反。
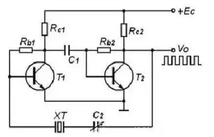
为了让大家对晶体谐振器和晶体振荡器有什么区别这个问题有一个更清晰的认识,我们列举了一个电路图:

由上图可以看出,晶体振荡器由石英晶体和振荡器电路组成
T1和T2构成两级放大器,XT和可变电容器C2构成LC电路,调节C2容量可使电路进入谐振状态
晶体谐振器需要借助CPU内部振荡器才能产生振荡信号,自身是无法起振的。当然,晶体谐振器信号质量和精度较差,要匹配外部电容,输出波形一般为正弦波,ARM和DSP大多用晶体谐振器。
晶体振荡器只要提供合适的直流电源(电源输入要串入磁珠,对地并电容做滤波处理),就可以输出稳定,且精度和频率稳定性更好,输出波形一般为方波,FPGA大多用晶体振荡器,驱动能力和输出方式有关,最常见CMOS驱动,且输出串匹配电阻,减少振铃、辐射导致时钟信号失真。
看完上面的内容,大家对晶体谐振器和晶体振荡器有什么区别这个问题有没有更加深刻的认识呢?晶振以其体积小、稳定度高等特点广泛的应用于各种电子领域,能够很好的区分两者之间的区别对我们大有裨益。
本文地址: https://www.xsyiq.com/1726.html
网站内容如侵犯了您的权益,请联系我们删除。